AI通用平臺
AI訓練平臺
AI數據資產
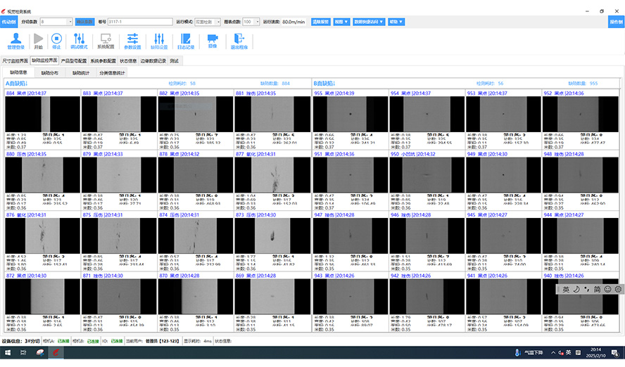
在線銅板外觀檢測
在線極片熔珠檢測
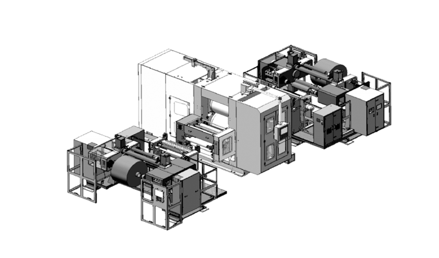
動力電池卷繞一體機雙線掃CCD檢測系統
在線動力電池蓋板檢測機
涂布CCD檢測系統
輥壓機CCD檢測系統
輥壓分條一體機CCD檢測系統/貼標機
消費電池分條機CCD檢測系統
獨立寬幅CCD復檢機
模切分切一體機檢測系統
在線極片毛刺檢測
在線動力電池卷繞一體機CCD檢測系統
切疊一體機CCD檢測系統
在線電池裸電芯外觀檢測
動力電池入殼設備/預點焊
在線動力電池頂蓋焊接獨立檢測機
在線動力電池密封釘獨立檢測機
在線動力電池鋁殼外觀檢測機/包藍膜后外觀檢測機
在線3C電池成品外觀檢測機
動力電芯連接器焊接檢測系統
在線刀片電池尺寸測量機
在線電池模組Busbar檢測
在線電池模組尺寸檢測機
電池全自動測試及氣密性檢測機
在線銅箔外觀檢測
在線鋁箔外觀檢測
在線隔膜外觀檢測
在線鋁塑膜外觀檢測
在線圓柱鋁殼外觀檢測機
成品AOI
出版AOI
膜后AOI
PL
EL
燃料電池涂布瑕疵CCD檢測設備
氫能源質子交換膜外觀檢測
膜電極CCD檢測機
氫燃料電池雙極板檢測
在線/離線工業(yè)CT無損檢測設備
PCB在線外觀檢測(VRS)
晶圓檢測機
十年以上系統集成能力迭代:光學系統匹配、圖像質量評估、相機標定工具、2D/3D視覺算法、AI智能平臺、質量保障、快速交付。
工信部鋰離子電池安全標準特別工作組成員單位,專注于AI+機器視覺和AI+無損探傷智能裝備的國家高新技術企業(yè),連續(xù)被評為“中國科技創(chuàng)新中小企業(yè)100強”、“國家級專精特新小巨人企業(yè)”、“國家高新技術企業(yè)”、“廣東省機器視覺工程技術研究中心”。
在職員工(人)
軟件著作權(項)
申請專利(項)
成立時間(年)
掃碼關注 官方微信
為了您的隱私和安全,我們將嚴格保密您的信息
您的稱呼:
手機號碼:
聯系郵箱:
聯系地址:
需求描述: